產品名稱:
英管外螺紋60°內錐/美制SAE外螺紋
產品系列搜索
請選擇您想要尋找的相關產品系列
產品描述

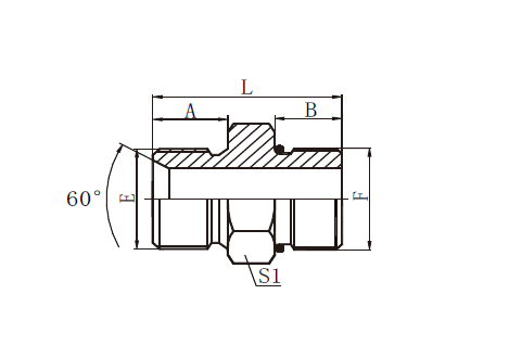
| 訂貨號 | 螺 紋 | 尺 寸 | ||||||
| E | F | A | B | L | S1 | |||
| A38-04 | G1/4"X19 | 7/16"X20 | 12 | 9.1 | 29.5 | 19 | ||
| A38-04-06 | G1/4"X19 | 9/16"X18 | 12 | 9.9 | 32 | 19 | ||
| A38-04-08 | G1/4"X19 | 3/4"X16 | 12 | 11.1 | 31 | 22 | ||
| A38-06 | G3/8"X19 | 9/16"X18 | 13.5 | 9.9 | 33.5 | 22 | ||
| A38-06-08 | G3/8"X19 | 3/4"X16 | 13.5 | 11.1 | 36 | 24 | ||
| A38-08 | G1/2"X14 | 3/4"X16 | 16 | 11.1 | 38 | 27 | ||
| A38-08-06 | G1/2"X14 | 9/16"X18 | 16 | 9.9 | 36 | 27 | ||
| A38-08-10 | G1/2"X14 | 7/8"X14 | 16 | 12.7 | 42 | 27 | ||
| A38-12 | G3/4"X14 | 1.1/16"X12 | 18.5 | 15.1 | 48 | 34 | ||
| A38-12-08 | G3/4"X14 | 3/4"X16 | 18.5 | 11.1 | 40.5 | 32 | ||
| A38-12-16 | G3/4"X14 | 1.5/16"X12 | 18.5 | 15.1 | 50.7 | 41 | ||
| A38-16 | G1"X11 | 1.5/16"X12 | 20.5 | 15.1 | 52.6 | 41 | ||
| A38-16-12 | G1"X11 | 1.1/16"X12 | 20.5 | 15.1 | 52 | 41 | ||
| A38-16-20 | G1"X11 | 1.5/8"X12 | 20.5 | 15.1 | 54.7 | 50 | ||
| A38-20 | G1.1/4"X11 | 1.5/8"X12 | 20.5 | 15.1 | 54.7 | 50 | ||
| A38-20-16 | G1.1/4"X11 | 1.5/16"X12 | 20.5 | 15.1 | 54.7 | 50 | ||
| A38-24 | G1.1/2"X11 | 1.7/8"X12 | 23 | 15.1 | 57 | 55 | ||