產品名稱:
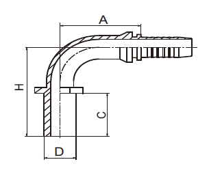
公制卡套式直管 90°彎接頭
產品系列搜索
請選擇您想要尋找的相關產品系列
產品描述

| 訂貨號 | 硬管外徑D | 軟 管 | 尺 寸 | 備 注 | ||||||
| 公稱內徑 | 標號 | A | C | H | ||||||
| MTC-06-03 | 6 | 5 | 3 | 26.5 | 22 | 42.5 | 輕系列 L | |||
| MTC-06-04 | 6 | 6 | 4 | 30 | 22 | 45.5 | ||||
| MTC-08-05 | 8 | 8 | 5 | 33 | 24 | 50.5 | ||||
| MTC-08-06 | 8 | 10 | 6 | 35.3 | 24 | 52.8 | ||||
| MTC-10-05 | 10 | 8 | 5 | 33 | 23 | 49.5 | ||||
| MTC-10-06 | 10 | 10 | 6 | 35.3 | 23 | 51.8 | ||||
| MTC-12-06 | 12 | 10 | 6 | 35.3 | 23 | 53.8 | ||||
| MTC-12-08 | 12 | 12 | 8 | 41 | 23 | 59 | ||||
| MTC-15-06 | 15 | 10 | 6 | 35.3 | 25 | 53.8 | ||||
| MTC-15-08 | 15 | 12 | 8 | 41 | 25 | 59 | ||||
| MTC-18-08 | 18 | 12 | 8 | 41 | 26 | 60 | ||||
| MTC-18-10 | 18 | 16 | 10 | 56.5 | 26 | 64.5 | ||||
| MTC-22-10 | 22 | 16 | 10 | 56.5 | 28 | 66.5 | ||||
| MTC-22-12 | 22 | 20 | 12 | 65.5 | 28 | 76 | ||||
| MTC-22-16 | 22 | 25 | 16 | 76.7 | 28 | 81.5 | ||||
| MTC-28-16 | 28 | 25 | 16 | 76.7 | 30 | 83.5 | ||||
| MTC-35-20 | 35 | 32 | 20 | 93 | 36 | 100.5 | ||||
| MTC-08-04 | 8 | 6 | 4 | 30 | 24 | 47.5 | 重系列 S | |||
| MTC-10-04 | 10 | 6 | 4 | 30 | 26 | 49.5 | ||||
| MTC-12-04 | 12 | 6 | 4 | 30 | 26 | 49.5 | ||||
| MTC-12-05 | 12 | 8 | 5 | 33 | 26 | 52.5 | ||||
| MTC-14-06 | 14 | 10 | 6 | 35.3 | 29 | 57.8 | ||||
| MTC-14-08 | 14 | 12 | 8 | 41 | 29 | 63 | ||||
| MTC-16-08 | 16 | 12 | 8 | 41 | 30 | 64 | ||||
| MTC-16-10 | 16 | 16 | 10 | 56.5 | 30 | 68.5 | ||||
| MTC-20-10 | 20 | 16 | 10 | 56.5 | 36 | 74.5 | ||||
| MTC-20-12 | 20 | 20 | 12 | 65.5 | 36 | 85 | ||||
| MTC-25-12 | 25 | 20 | 12 | 65.5 | 40 | 89 | ||||
| MTC-25-16 | 25 | 25 | 16 | 76.7 | 40 | 93.5 | ||||
| MTC-30-16 | 30 | 25 | 16 | 76.7 | 40 | 93.5 | ||||
| MTC-30-20 | 30 | 32 | 20 | 91.5 | 44 | 108.5 | ||||
| MTC-38-16 | 38 | 25 | 16 | 76.7 | 50 | 115.5 | ||||
| MTC-38-20 | 38 | 32 | 20 | 91.5 | 50 | 114.5 | ||||