產品名稱:
美制JIC外螺紋/ 輕系列法蘭 90°彎接頭
產品系列搜索
請選擇您想要尋找的相關產品系列
產品描述

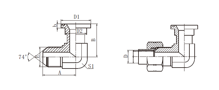
| 訂貨號 | 螺 紋 | 法蘭型號 | O形圈 | 尺 寸 | |||||
| E | A | B | b | D1 | D2 | S1 | |||
| AJFL-08/9 | 3/4"X16 | 1/2" | O210 | 32.5 | 44 | 6.73 | 30.2 | 24 | 19 |
| AJFL-08-12/9 | 3/4"X16 | 3/4" | O214 | 38 | 54.1 | 6.73 | 38.1 | 31.7 | 27 |
| AJFL-10-08/9 | 7/8"X14 | 1/2" | O210 | 37.5 | 44 | 6.73 | 30.2 | 24 | 22 |
| AJFL-10-12/9 | 7/8"X14 | 3/4" | O214 | 41 | 54.1 | 6.73 | 38.1 | 31.7 | 27 |
| AJFL-12/9 | 1.1/16"X12 | 3/4" | O214 | 44.5 | 54.1 | 6.73 | 38.1 | 31.7 | 27 |
| AJFL-12-16/9 | 1.1/16"X12 | 1" | O219 | 48 | 60.2 | 8 | 44.4 | 38 | 33 |
| AJFL-16/9 | 1.5/16"X12 | 1" | O219 | 49 | 60.2 | 8 | 44.4 | 38 | 33 |
| AJFL-16-12/9 | 1.5/16"X12 | 3/4" | O214 | 49 | 58 | 6.73 | 38.1 | 31.7 | 33 |
| AJFL-16-20/9 | 1.5/16"X12 | 1.1/4" | O222 | 54 | 66.5 | 8 | 50.8 | 43 | 41 |
| AJFL-20/9 | 1.5/8"X12 | 1.1/4" | O222 | 55.5 | 66.5 | 8 | 50.8 | 43 | 41 |
| AJFL-20-16/9 | 1.5/8"X12 | 1" | O219 | 55.5 | 65 | 8 | 44.4 | 38 | 41 |
| AJFL-20-24/9 | 1.5/8"X12 | 1.1/2" | O225 | 60 | 79.3 | 8 | 60.3 | 50 | 48 |
| AJFL-24/9 | 1.7/8"X12 | 1.1/2" | O225 | 62.5 | 79.3 | 8 | 60.3 | 50 | 48 |
| AJFL-24-20/9 | 1.7/8"X12 | 1.1/4" | O222 | 62.5 | 75.5 | 8 | 50.8 | 43 | 48 |
| AJFL-24-32/9 | 1.7/8"X12 | 2" | O228 | 74.5 | 108 | 9.53 | 71.4 | 62 | 63 |
| AJFL-32/9 | 2.1/2"X12 | 2" | O228 | 80 | 108 | 9.53 | 71.4 | 62 | 63 |
注:螺母及襯套需另行訂貨,配用螺母及襯套分別選用SJN、SJS。